PST-500kg
Cảm Ứng Lực PST-500kg Do Hãng CÂN ĐIỆN TỬ THỊNH PHÁT có địa chỉ trụ sở chính tại số 57 Đường Nguyễn Văn Thương, Phường 25, Quận Bình Thạnh, TP.Hồ Chí Minh Nhập khẩu và phân phối, quí khách có nhu cầu xin liên hệ điện thoại (028) 62.888.666 di dộng có zalo 0915.999.111 hoặc 0908.444.000.
|
Model
|
Cảm ứng lực PST 500kg
|
|
Mức tải tối đa
|
500 kg
|
|
Chứng nhận
|
OIML R60 C3
|
|
Điện áp biến đổi
|
(2.0 ± 0.003) mV/V
|
|
Điện trở đầu vào
|
(400 ± 20) Ω
|
|
Điện trở đầu ra
|
(352 ± 3) Ω
|
|
Kích thước loadcell
|
(70 x 20 x 24) mm |
|
Sản xuất tại
|
Trung Quốc Nhãn hiệu KELI |
|
Nhập Khẩu Bởi
|
THINH PHAT SCALES VIET NAM TPS Corporation VN |
|
Phân phối Việt Nam
|
www.VMC.com.vn |
Giá:
1,350,000 VNĐ
Thông tin chi tiết
TÍNH NĂNG CẢM ỨNG LỰC PST 500kg.
- Tải trọng: 500 kg.
- Cấp chính xác: C3.
- Tiêu chuẩn: OIML R60, CE, IP65.
- Cảm biến loại: chữ Z gọi là S-Type Load Cells.
- Điện áp biến đổi: (2.0 ± 0.003) mV/V.
- Điện trở đầu vào: (400 ± 20) Ω.
- Điện trở đầu ra: (352 ± 3) Ω.
- Điện trở cách điện: ≥5000 (ở 50VDC) MΩ.
- Kích thước loadcell: (70 x 20 x 24) mm.
- Phi bắc ốc: M12
- Đạt chuẩn bảo vệ IP65.
- Điện áp kích thích: 5 ~ 12 (DC/AC) V.
- Điện áp kích thích tối đa: 15 (DC/AC) V.
- Chất liệu: Hợp kim thép, Alloy steel.
- Ứng dụng: Cân bàn, cân sàn, cân bồn, cân băng tải.
- Quá tải an toàn: 150 %.
- Chiều dài dây tín hiệu: 2,6 mét.
- Màu sắc dây: Đỏ E+, Đen E-, S+ xanh, S-Trắng.
- Phương thức định lượng: Cảm biến từ.
- Cung cấp kèm CO phòng thương mại, CQ hãng sản xuất (bản sao).
- Nhập khẩu và phân phối bởi Thịnh Phát Scales TPS.
- Xuất Xứ: Trung Quốc nhãn hiệu KELI.
Thông Số Kỹ Thuật CẢM ỨNG LỰC PST 500kg.
|
Model
|
Cảm ứng lực PST 500kg
|
|
Mức tải tối đa
|
500 kg
|
|
Chứng nhận
|
OIML R60, CE, IP65
|
|
Cấp chính xác
|
C3
|
|
E/max
|
E/max/7000
|
|
Điện áp biến đổi
|
(2.0 ± 0.003) mV/V
|
|
Điện trở đầu vào
|
(400 ± 20) Ω
|
|
Điện trở đầu ra
|
(352 ± 3) Ω
|
|
Độ trở
|
±0.017% R.O.
|
|
Độ ngâm tải 30 phút
|
±0.017% R.O.
|
|
Nhiệt độ ra
|
±0.015%R.O./10℃
|
|
Nhiệt độ zero
|
±0.002%R.O./10 ℃
|
|
Nhiệt độ hoạt động
|
-10-+ 60℃
|
|
Điện áp đề nghị
|
5-12 VDC
|
|
Điện áp cấp
|
15 VDC
|
|
Nhiệt độ sử dụng
|
-20-+60 ℃
|
|
Quá tải an toàn
|
150 %
|
|
Quá tải phá hủy
|
200 %
|
|
Vùng Zero
|
±5% R.O.
|
|
Điện trở cách điện
|
5000 (ở 50VDC) MΩ
|
|
Kích thước loadcell
|
(70 x 20 x 24) mm |
|
vật liệu
|
Hợp kim thép, Alloy steel |
|
Giây
|
2,6 mét |
|
Tiêu chuẩn
|
IP65 |
|
Sản xuất tại
|
Trung Quốc Nhãn hiệu KELI |
|
Nhập Khẩu Bởi
|
THINH PHAT SCALES VIET NAM TPS Corporation www.VMC.com.vn |
|
Phân phối Việt Nam
|
www.VMC.com.vn |
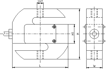
Kích thước cảm ứng lực PST 500kg và kết nối cảm ứng lực PST 500kg
|
Kích thước (Dimension)
|
Kết nối (Electrical Connection)
|

|

|
|
Outline Dimension:
|
|
Rated capacity
|
L
|
W
|
H
|
H1
|
T
|
|
20kg~150kg
|
70
|
12
|
64
|
24
|
M8
|
|
200kg~500kg
|
70
|
20
|
64
|
24
|
M12
|
|
700kg~1t
|
70
|
25
|
64
|
24
|
M12
|
|
1.2t~5t
|
88
|
32
|
90
|
38
|
M20
|
|
7.5t
|
88
|
40
|
90
|
38
|
M24
|
|
10t
|
110
|
50
|
110
|
46
|
M30X2
|
SPECIFICATION:
PST Installation diagram
FEATURES: Capacity 20kg to 10t, Forced by threaded connection, High accuracy, Alloy steel, stainless steel
APPLICATION: Testing machine, Crane scale, Packing scale
|
Model
|
PST 500kg
|
|
Rated capacity
|
500 kg |
|
Rated output
|
2.0±0.003mv/v
|
|
Accuracy classr
|
0.03
|
|
Non-linearity
|
±0.03% F.S
|
|
Hysteresis error
|
±0.03% F.S
|
|
Non-repeatability
|
±0.02% F.S
|
|
Zero balance
|
±1% F.S
|
|
Creep error
|
Input impedance: 400±20Ω
|
|
Maximum safe overload
|
150% OF R.C
|
|
Ultimate safe overload
|
200% OF R.C
|
|
Recommended Excitation
|
10 to 12V DC
|
|
Maximum Excitation
|
15V DC
|
|
Environment protection
|
IP65 (20kg~1t);IP67 (1.2t~10t)
|
|
Input impedance
|
400±20Ω
|
|
Output impedance
|
352±3Ω
|
|
Insulation
|
resistance at 50V DC: ≥5000MΩ
|
|
Material
|
nickel-plated alloy steel
|
|
Temperature
|
effect on zero: ±0.02% F.S
|
|
Temperature
|
effect on output: ±0.02% F.S
|
|
Compensated
|
temperature range: -10 to +40℃
|
| Cable length: |
2.6meter, diameter 5mm (20kg~1t)
|
|
Cable length:
|
3meter, diameter 6mm (1.2~7.5t);
|
|
Cable length:
|
3meter,diameter 5mm(10t)
|
|
TPS
|
14°F – 104°F, 85%RH, non-condensing (-10°C – 40°C, 85%RH, non-condensing) www.tps-scale.com
|
Tài liệu kỹ thuật